服务热线13861504600
18552057066
 您现在所在的位置: > 首页  >产品展厅  >刮吸泥机
产品展厅


联系我们


宜兴市天之蓝环保设备有限公司


联系人: 18552057066 经理


电话:0510- 80709900


传真:0510- 87895600


地址:宜兴市高塍镇工业园区


邮箱:yxtzlhb@163. com


网址: www.yxtzl.com


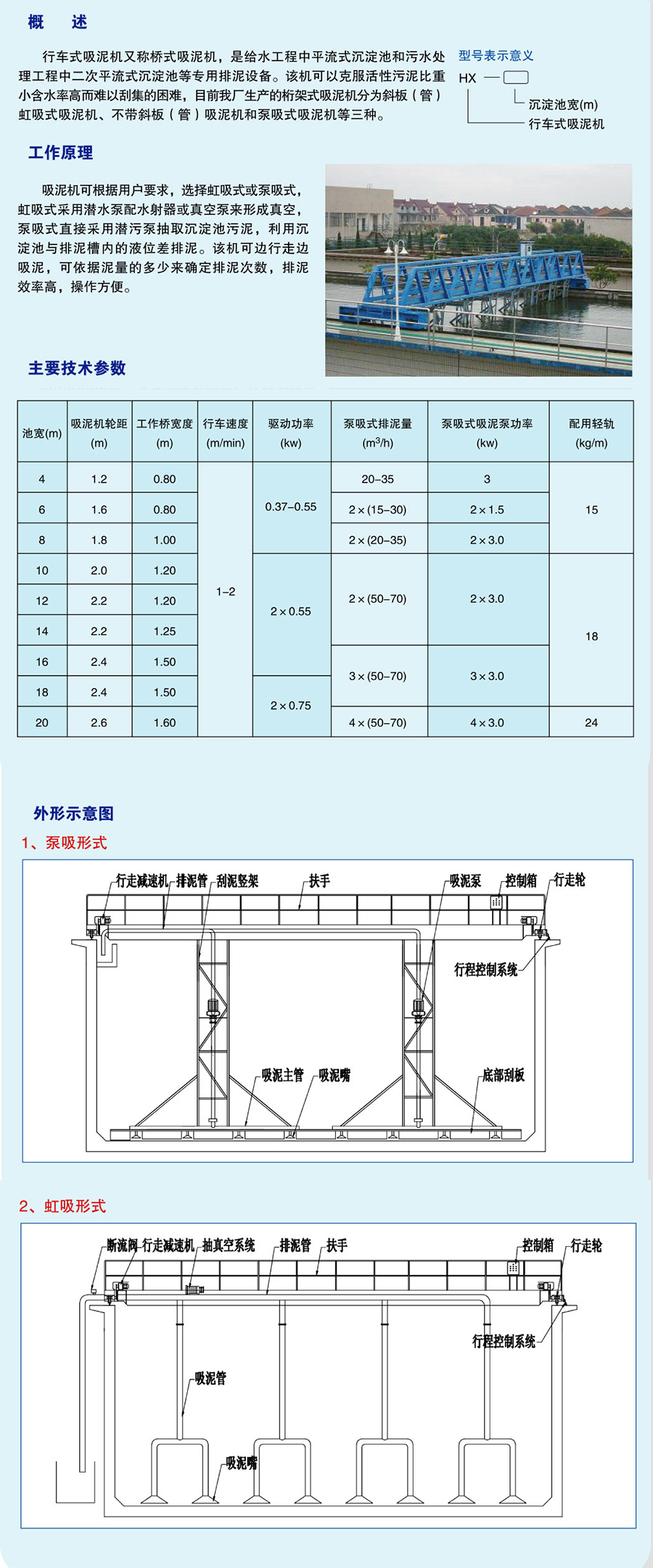
行车式泵吸泥机
点击数:808次 添加时间:2020-09-12 [打印] [返回] [收藏]

Copyright © 2020    宜兴市天之蓝环保设备有限公司    All Rights Reserved. www. yxtzl. com 版权所有  苏ICP备苏ICP备10044106号